编者按:创新之美,在于扎根实践的精准破局;奋进之力,在于立足岗位的久久为功。2025年,全处职工以巧思为笔、实干为墨,绘就骆运创新图景:泗阳闸站的水泵密封改良夯实了设施运维根基;刘老涧闸站的水草识别模型守护着泵站安全;水文站的功率整编程序提升了数据处理效能;沙集闸站的防干烧报警器防范了设备运行风险;皂河站的皮带纠偏装置保障了作业平稳推进......这些“五小”创新,凝聚着职工的智慧与汗水,奏响了提质增效的激昂乐章。近期,处网站将推出专题报道,一同探寻我处首届“五小”科技创新成果背后的匠心故事,见证平凡岗位迸发的不凡力量。愿这份创新精神激励你我,共同书写高质量发展的奋进新篇。今日分享:泗阳闸站管理所“水泵压环处密封止水结构改进”(项目组成员:王岩、赵水汨、叶奎成、杨模、刘尧)。
近年来,江苏省泗阳闸站管理所大力推进强才工程建设,设立业务提升兴趣班,并制定包括经费优先保障和人员优先晋级等激励措施。40周岁以下青年职工全员参与其中,利用业余时间常态化开展学习交流,有效促进职工知识更新与技能提升,着力营造浓厚的“比学赶超”氛围,充分激发职工的创新创造积极性。全所职工踊跃投身科技创新工作,“五小”创新成果层出不穷,精准解决运行管理中的常见问题和难点。例如,“泗阳二站水泵压环处密封止水结构改进”就是一个典型的“小设计”,改进后的结构简单、成本低廉、维修方便,具有推广应用价值。
隐患凸显——渗水问题持续加剧
泗阳二站主机组运行期间,巡视人员发现水泵底座压环处出现少量渗水,在拧紧压环螺栓后,渗水情况仍未彻底解决,且随着机组运行时长增加,渗水量逐渐变多,测量最大渗水量约10L/h。一方面,压环渗水会加速水泵底座等部件的锈蚀,且渗水流入廊道的排水孔较小,极易出现堵塞,严重时会导致水泵层漫水;另一方面,随着渗水量增加,廊道水位上涨过快,频繁启停排水泵,可能形成新的设备运行故障风险点。
检修掣肘——传统方案耗时费力
立式轴流泵底座压环处的渗水处理是泵站管理中的检修难点,渗水点位于水泵层,通常情况下,需落下检修闸门,进行潜水堵漏,并放空流道积水,方可开展检修,处理过程繁琐,需要停机时间较长,影响梯级调水运行。
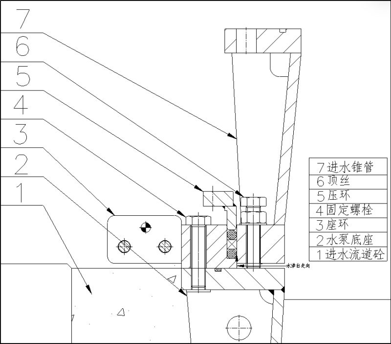
泗阳二站主机组底座压环处采用两道Φ20丁腈橡胶实心圆条和聚四氟乙烯填料进行止水密封,并采用玻璃胶填充封堵空隙,是较为常用的结构设计。其密封原理为挤压型密封,当拧紧压环螺栓时,橡胶圆条受到压环挤压,会产生弹性变形,从而在密封接触面上产生接触压力,当接触压力大于被密封介质的压力时,就不会发生泄漏。拆解座环后,检修人员仔细检查了密封圈和填料部位,发现两道Φ20丁腈橡胶实心圆条嵌入聚四氟乙烯填料中,但形变量不明显,确定了起密封作用的主要是聚四氟乙烯填料。
(原设计结构图)
追根溯源——查明具体故障原因
为彻底解决渗水问题,泗阳所集中技术力量进行攻关,逐渐查明了故障原因:泗阳二站加固改造工程对进水流道进行优化,更换了水泵底座,由于建筑物部分沉降,导致水泵座环与进水锥管四周的密封槽间隙不均,流道内的水极易从间隙较大的部位渗出。在安装时填充玻璃胶封堵填料与密封条之间的间隙,机组运行一段时间后,由于玻璃胶固化,加之机组运行振动,固化的玻璃胶与进水椎管部件间产生间隙,此时再压紧压环,对固化的玻璃胶作用不明显,因此渗水情况仍无法得到有效改善。
创新破局——构建多重密封防线
针对玻璃胶固化、机组振动等带来的密封难题,技术人员大胆创新,采用“大小圆条异径配合法”,取消密封填料和密封胶,只保留密封橡胶圆条,通过弹性材料压实空隙,在原有填料部位加装一圈Φ20密封圆条,用来传递压力,在进水椎管与座环接触部位增设1道Φ6密封圆条,起到初级阻水作用,在下方两道Φ20密封圆条之间增设2道Φ6密封圆条,形成阻水面,形成多重密封。
(“大小圆条异径配合”法压环处结构图)
成效斐然——技改成果获得认可
经过改造,泗阳二站水泵压环渗水问题得到根治,解决方案获水泵厂家设计人员高度评价并采纳推广,技术总结《立式轴流泵底座压环处渗水原因分析及处理》已发表在江苏水利2025年第11期,改造后的机组经受住本年度长期抗旱翻水运行的检验。
(责编:黄月琪)

